実験用の部品到着まで時間を要していたので
その間に少しぐぐってたら、だいたい何をしなければならないか分かった。
先人の引っかかったところには素直に従い、進めてしまおう。トウシロが巨人の肩の上に遠慮なく立つ、それがインターネッツというものだ。
- TS-440Sは、先述のIC-10を実装することによって、リアパネルのACC1コネクタ (DIN 6pin)で 5V TTLなシリアルで通信できるようになる。
- なので、5V TTLなUSBシリアルチップである「FT232RL」を介せば、(TS-440Sを含む)ケンウッドの古のリグは、いまどきPCで制御できそうだ。
- ただし、FT_Progとかいうソフトでファームを編集し論理を反転させなければならないらしい。たぶんTS-440Sもそうだろう。
- ロギングソフトとしては、Logger32で認識させたいので、マニュアルを落としておいた。823ページにTS-440専用の項が設けられている。*1
https://www.logger32.net/files/Logger32_v4_User_Manual.pdf
マニュアル、現行版で907ページもある。貴様のあだ名は今日から月刊アフタヌーンだ!
部品がそろったので、始める。
- デジットにて6pin DINを買ってきた。110円。6ピンなんて、こんな場面でもないとつかわんわな。
- 秋月のFT232RL USBシリアル変換モジュールが発掘されたので、これを使う。*2
儀式から。
FT_PROG 3.12.29.638 - EEPROM Programming Utility
を落としてきて、EEPROMを書き換える。
上記サイト記載の通り、FT232RLモジュールをPCに認識させた状態でFT_PROGを起動して、論理反転を書き込めば完了。
リグとつなぐケーブルを作ろう。
ノイズ対策とかは後回しで、まずはCATで認識させるところまで行きたい。
よくわかんないけど、最低限TXD/RXD/GNDの3本をつなぎさえすればなんとかなるんじゃないの?(適当)
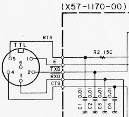
| ACC1 | TS-440S側 | FT232RL側 | CN2 |
|---|---|---|---|
| pin1 | E | GND | pin7 |
| pin2 | TXD | RXD | pin5 |
| pin3 | RXD | TXD | pin1 |
フェライトビーズもセラコンもシールド線も用いず、まずただRXD/TXD/GNDの3線を繋ぎ込んでみた。

IF-232Cマニュアルより

TS-440Sサービスマニュアルより
回路図が教えてくれる通り、TS-440Sのpin 1 = (マイコンの)GNDは、0.01uFを介して(送受信機の)GNDに落ちている。一方6pin DINのシールドは、直接(送受信機の)GNDに落ちている。
「GND」といいつつも、「マイコンのGND」と「送受信機のGND」は迂闊につなぎこまないのが賢明だ。古のインターフェースICをぶっこわしたくはない。

ピンアサインは右上から時計回りに1-2-3。

仮組み中。
*1:わざわざ別項になってるのは、きっとクセがあるということなのだろう。